欢迎来到温州卓一自动化科技有限公司网站!
关于我们
|
联系我们
厂 家 直 售 价 廉 质 优
吴经理
13506555330
全部产品分类
SC系列标准气缸
SDA系列薄型气缸
TDA/TN系列双轴气缸
MAL/MA系列迷你气缸
MHZ2系列手指气缸
无杆气缸
气动元件
网站首页
关于卓一
公司简介
核心业务
产品中心
SC系列标准气缸
SDA系列薄型气缸
TDA/TN系列双轴气缸
MAL/MA系列迷你气缸
MHZ2系列手指气缸
无杆气缸
气动元件
新闻中心
应用领域
在线留言
联系我们
PRODUCT
/ 产品中心
首页
>
产品中心
>
无杆气缸
SC系列标准气缸
SDA系列薄型气缸
TDA/TN系列双轴气缸
MAL/MA系列迷你气缸
MHZ2系列手指气缸
无杆气缸
气动元件
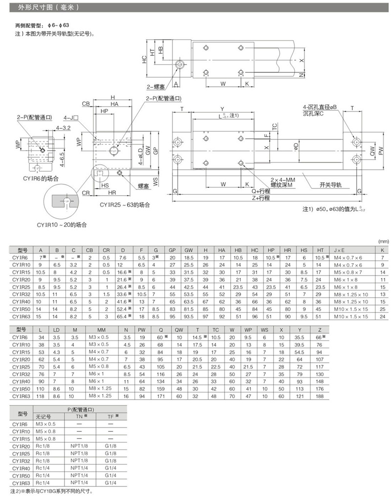
CY1R
所属:
无杆气缸
返回列表
服务热线:13506555330
温州卓一自动化科技有限公司
放入收藏夹
立即咨询
产品详情
产品推荐
如何选择气缸
发动机气缸盖对气缸有多大的影响?
气动手指的分类有哪些?
简析气动手指气缸具有的特点
气动手指气缸功能与应用
旋转气缸怎么调角度?旋转气缸工作原理
手指气缸(气爪)的特点
手指气缸(气动手爪)的选型要素
手指气缸的用途
返回列表
关于卓一
公司简介
核心业务
产品中心
SC系列标准气缸
SDA系列薄型气缸
TDA/TN系列双轴气缸
MAL/MA系列迷你气缸
MHZ2系列手指气缸
无杆气缸
气动元件
应用领域
自动化设备
印刷机械
半导体设备
机械手臂
新闻中心
如何选择气缸
发动机气缸盖对气缸有多大的影响···
气动手指的分类有哪些?
简析气动手指气缸具有的特点
气动手指气缸功能与应用
全国免费客户热线:13506555330
传真:0577-57578175
网址:www.zyqidong.com
地址:温州乐清白石工业区
版权所有:温州卓一自动化科技有限公司
备案号:
浙ICP备2021011204号-1
返回顶部
扫一扫加微信